Die Bohrtisch und Frästisch Kombination geht weiter. Nachdem ich schon über die Vorüberlegungen und Bedingungen geschrieben habe, geht es nun an die Umsetzung.
Die Tischplatte
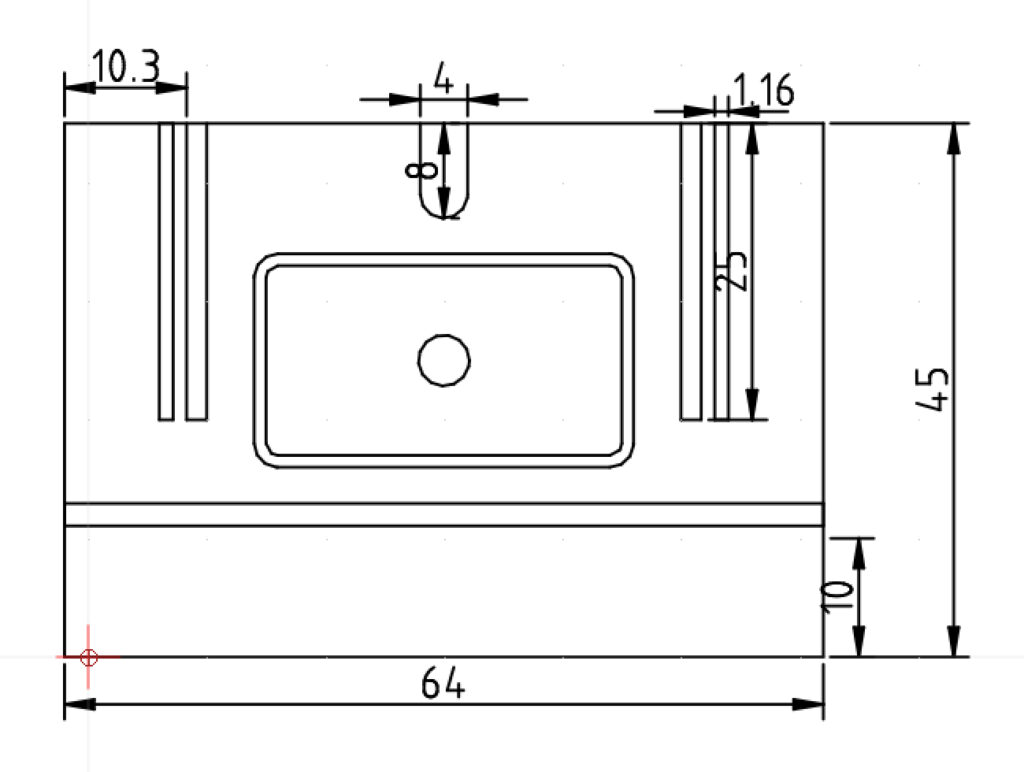
Die Tischplatte und die Hubeinheit sind beide in QCAD vorgeplant worden. Dabei wurden folgende Kriterien berücksichtigt:
- Große Aussparung in der Mitte: Diese nimmt die Bohrplatte und die Hubeinheit der Fräse auf. Beide Platten sollen in der Höhe niviliert werden können.
- Opferplatte: Die Aussparung besitzt eine Vertiefung für die Opferplatte, die beim Bohren zum Einsatz kommt. Diese ist von der Größe Identisch zu den Abdeckungen für die Fräser
- Die Oberplatte besitzt eine Nut für den Parallelanschlag der Bosch PTS 10. Damit lässt sich dann fräsen und der Bau eines Winkelanschlages fällt weg.
- Zu beiden Seiten des Bohr- und Fräsbereichs sollen zwei Nuten für einen Parallelanschlag mit Skala eingebaut werden.
- Die Oberplatte bekommt zu beiden Seiten eine stabile Holzkonstruktion, damit sie ohne Verwindung vor die Werkbank beklemmt werden kann. Gewählt habe ich 4cm Multiplex. Es geht deutlich dünner. Der ursprüngliche Gedanke sah vor, den Frästisch mit Spindelmuttern, die in das Holz eingelassen wurden, am Werkstisch zu verankern. Damit ergeben sich auch die Maße für Tisch.
Mit den oberen Kriterien ist dann der nachfolgende Entwurf entstanden:
Die Hubeinheit
Die Hubeinheit soll komplett selbst gebaut werden um Kosten zu sparen und um die Machbarkeit zu überprüfen. Folgende Kriterien und Umsetzungen sollten erfolgen:
- Die Hubeinheit soll eine 43mm Euroaufnahme haben.
- Die Höhenverstellung soll von oben erfolgen.
- die Fräse soll möglichst nahe an die Oberseite der Oberplatte heranreichen, um die Fräser möglichst kurz einspannen zu können.
- Die Seitliche Verwindung und das Spiel in den Lagern soll möglichst klein gehalten werden.
Die fertige Hubeinheit sieht damit so aus:
Bauteile
Um den Bohr- und Frästisch zu realisieren habe ich folgende Bauteile verwendet:
-
WOVELOT 4 Stueck LM20UU 20x32x42mm Double Side Gummidichtung Lineare Bewegung Ku... * -
CNBTR 8 mm vertikale T8 Bleischraube, Z-Achse, L300 mm, Kugellager, Stehlenklotz... * -
sourcing map (2er Pack) LMH20UU 2 Seitenschnitt Linearkugellager 20mm Bohrung 32... * -
sourcing map 2stk. Wellen Kupplung Motor Rad Rigid Koppler Verbinder 5mm zu 8mm ... * -
Sortiment Edelstahl V2A Schrauben DIN 933, Muttern sechskant DIN 934 und Scheibe... * -
Präzisionswelle 20mm h6 geschliffen & gehärtet, 200mm, Gewindebohrungen M10x... * -
10 Stück Sechskantschrauben DIN 933 - ISO 4017 Edelstahl A4 - Aisi 316 (Edelstah... * -
2 St. 1m C Profil M8 Aluminium T Nut Alu Profilschiene Zubehör Schrauben Set *
Der Bau im einzelnen
Zunächst wird das ganze in 2D in QCAD gezeichnet. Die Bauteile sollten passend zueinander sein. Die notwendige Präzision musste also gegeben sein. Die Idee ist, dass alle Bauteile aus 9mm und 6mm Sperrholz bebaut werden sollten.
Bau der Tischplatte
Die Tischplatte besteht aus 21mm Siebdruckplatte, da die Nuten eine nicht unerhebliche Tiefe aufweisen. Die beiden seitlichen Stützen bestehen aus 40mm Multiplex. Auch hier kann auf deutlich schmaleres Holz zurückgegriffen werden, da meine ursprüngliche Umsetzung eine andere Befestigung vorgesehen hat. Die Klebeskala würde ich auch beim nächsten Mal gravieren. Hier nun die Zeichnung dazu:
Bau der Hubeinheit
Für die Hubeinheit wird zunächst die Fräse ausgemessen und die einzelnen Holzschichten geplant. Zur Zentrierung der Bauteile sind 6mm Löcher vorgesehen, in die 6mm Buchholzstäbe eingeleimt werden.
die Höhenverstellung von oben ist den 3D Druckern entnommen: Eine Spindel wird über eine runde Holzplatte mit Skala gedreht. In diese Runde Holzplatte ist eine Innensechskant Mutter eingelassen, die über eine Wellenkupplung mit der Spindel verbunden ist.
Den ausgetrennte Rest aus der Tischplatte wird zum Aufdoppeln der Einlegeplatte und Befestigung der senkrechten Führung verwendet. Die Führungen sind die Aufdopplung mit m10 schrauben eingeschraubt. Die Schraubenköpfe sind in dieser Platte daher eingesenkt.
Um die seitliche Stabilität zu erhöhen und um ein möglichst geringes Spiel in der Führung zu haben, werden zwei Führungen übereinander montiert. Eine ist in die Holzplatte eingelassen und eine Linearführung wird darunter eingebaut. Die Schrauben der aufgeschraubten Linearkugellager sind gleichzeitig zum Pressen des Holzes vorgesehen.
Die Aufdopplung ist anschließend mit der Einlegeplatte verleimt und verschraubt.
Hier die dazugehörigen Zeichnungen:

-
WOVELOT 4 Stueck LM20UU 20x32x42mm Double Side Gummidichtung Lineare Bewegung Ku... * -
CNBTR 8 mm vertikale T8 Bleischraube, Z-Achse, L300 mm, Kugellager, Stehlenklotz... * -
sourcing map (2er Pack) LMH20UU 2 Seitenschnitt Linearkugellager 20mm Bohrung 32... * -
sourcing map 2stk. Wellen Kupplung Motor Rad Rigid Koppler Verbinder 5mm zu 8mm ... * -
Sortiment Edelstahl V2A Schrauben DIN 933, Muttern sechskant DIN 934 und Scheibe... * -
Präzisionswelle 20mm h6 geschliffen & gehärtet, 200mm, Gewindebohrungen M10x... * -
10 Stück Sechskantschrauben DIN 933 - ISO 4017 Edelstahl A4 - Aisi 316 (Edelstah... * -
2 St. 1m C Profil M8 Aluminium T Nut Alu Profilschiene Zubehör Schrauben Set *




















